IEF 250 Shuft
IEF 250 Shuft — это модель из серии "IEF вытяжные кухонные вентиляторы". Компания "Стандарт Климат" — официальный дилер Shuft в России. Мы осуществляем поставку, монтаж и сервисное обслуживание оборудования Shuft.
Доставка по Москве - бесплатная. Оплата возможна наличным или безналичным расчетом, банковской картой.
"Стандарт Климат" готова реализовать комплексное решение любой вашей задачи по инженерному оборудованию "под ключ". Скидку до 20% на оборудование Shuft мы обсуждаем индивидуально.
Звоните:
Характеристики
| Частота вращения, об./мин | 2850 |
| Электропотребление, кВт | 0,454 |
| H, мм | 500 |
| L, мм | 500 |
| Макс. напор, Па | 790 |
| Макс. расход воздуха, м3/ч | 2610 |
| Макс. температура перемещаемого воздуха, °С | -25…+80 |
| Напряжение, В | 230 |
| Рабочий ток, А | 3,4 |
| Уровень шума (1м),, дБ(А) | 77/79/73 |
| Вес, кг | 37 |
| W, мм | 500 |
Таблица характеристик всей серии IEF вытяжные кухонные вентиляторы
Описание
Предназначены для удаления воздуха с повышенным содержанием влаги и жира, например, из кухонь.
Преимущества:
- Изменяемая конфигурация выброса воздуха.
- Корпус изготовлен из листовой оцинкованной стали с теплоизоляцией 30 мм.
- Корпус имеет специальную форму поддона, чтобы собирать небольшие количества конденсата или жира.
- Высокоэффективная крыльчатка с назад загнутыми лопатками
- Высококачественные двигатели расположены вне воздушного потока.
- Высококачественные шариковые подшипники, не требующие обслуживания.
- Регулирование скорости 0–100% путем изменения напряжения (тиристорные и автотрансформаторные регуляторы).
- Встроенные термоконтакты или термореле.
Монтаж: Вентиляторы поставляются готовыми к подключению. Могут устанавливаться в любом положении, в соответствии с направлением потока воздуха (в соответствии со стрелкой на корпусе вентилятора). Необходимо предусматривать доступ для обслуживания вентилятора.
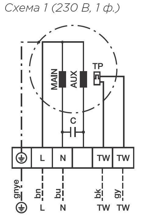
Подключение электропитания: На корпусе вентиляторов находится клеммная коробка для подключения к электрической сети. Необходимо, чтобы подключение вентиляторов выполнял только квалифицированный персонал и в соответствии со схемой подключения.
Уход: Вентиляторы не требуют специального технического ухода. Единственное требование — чистка крыльчатки.
Сертификат: Декларация о соответствии ТР ТС.
О производителе Shuft

Компания была основана в 1998 году в Копенгагене (Дания) как производитель вентиляторов для модульных систем. В течение 16 лет SHUFT K.S.разработал и запустил в производство более 500 моделей оборудования. Сегодня холдинг производит весь спектр оборудования для создания механических вентиляционных систем: вентиляторы, модульные элементы, оборудование для автоматизации, воздухораспределители, моноблочные и каркасно-панельные вентиляционные установки, а также промышленные увлажнители и компрессорно-конденсаторные блоки.
SHUFT — это штаб-квартира в Копенгагене (Дания), R&D- центры в Дании и Германии, 3 современные специализированные производственные площадки, расположенные в странах Евросоюза, в штате компании работают более 1000 сотрудников. Дистрибуция оборудования SHUFT охватывает несколько десятков национальных рынков.


