EHR 600x350-45 Shuft
EHR 600x350-45 Shuft — это модель из серии "EHR электрические нагреватели для прямоугольных каналов". Компания "Стандарт Климат" — официальный дилер Shuft в России. Мы осуществляем поставку, монтаж и сервисное обслуживание оборудования Shuft.
Доставка по Москве - бесплатная. Оплата возможна наличным или безналичным расчетом, банковской картой.
"Стандарт Климат" готова реализовать комплексное решение любой вашей задачи по инженерному оборудованию "под ключ". Скидку до 20% на оборудование Shuft мы обсуждаем индивидуально.
Звоните:
Характеристики
| H, мм | 100 |
| Количество фаз | 3 |
| L, мм | 600 |
| Мощность, кВт | 45 |
| Мощность ТЭНа, кВт | 2.5 |
| Напряжение, В | 400 |
| Ступени нагрева, кВт | 15+15+7,5+7,5 |
| Вес, кг | 370 |
| W, мм | 350 |
Таблица характеристик всей серии EHR электрические нагреватели для прямоугольных каналов
Описание
Преимущества
- Корпус изготовлен из оцинкованной стали.
- Фланцевое подсоединение.
- ТЭНы изготовлены из высококачественной нержавеющей стали
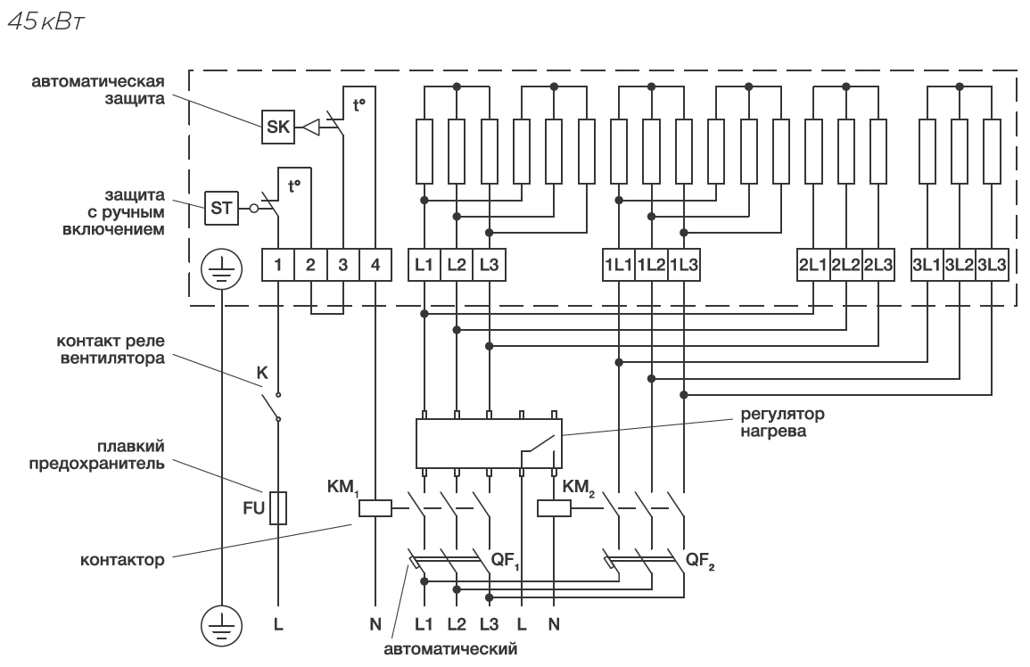
- Защитный термостат с ручным перезапуском (температура отключения 120°С).
- Защитный термостат с автоматическим перезапуском (температура отключения 60°С)
- Электропитание 400 В, 50 Гц, 3 ф.
Монтаж: Нагреватели должны устанавливаться таким образом, чтобы воздушный поток был направлен согласно стрелке на корпусе. Воздухонагреватели устанавливаются внутри помещения.Возможна установка как в горизонтальных, так и в вертикальных каналах. При горизонтальной установке не допускается установка электрошкафом вверх или вниз. Расстояние от нагревателя до заслонки, фильтра, отвода и других подобных элементов должно быть не менее двух эквивалентных диаметров присоединительного патрубка.Скорость воздуха в воздухонагревателе должна быть не менее 1,5 м/с. Максимальная температура воздуха на выходе составляет 40°С..
Подключение электропитания: Электропитание на нагреватель должно быть подано после включения вентилятора при достаточном потоке воздуха.Кабель электропитания должен соответствовать мощности воздухонагревателя. Автоматический выключатель также должен соответствовать мощности и номинальному потребляемому току. Внешнее реле защиты должно быть с автоматическим возвратом в исходное положение. Корпус воздухонагревателя должен быть заземлен.
Сертификат: Декларация соответствия ТР ТС.
О производителе Shuft

Компания была основана в 1998 году в Копенгагене (Дания) как производитель вентиляторов для модульных систем. В течение 16 лет SHUFT K.S.разработал и запустил в производство более 500 моделей оборудования. Сегодня холдинг производит весь спектр оборудования для создания механических вентиляционных систем: вентиляторы, модульные элементы, оборудование для автоматизации, воздухораспределители, моноблочные и каркасно-панельные вентиляционные установки, а также промышленные увлажнители и компрессорно-конденсаторные блоки.
SHUFT — это штаб-квартира в Копенгагене (Дания), R&D- центры в Дании и Германии, 3 современные специализированные производственные площадки, расположенные в странах Евросоюза, в штате компании работают более 1000 сотрудников. Дистрибуция оборудования SHUFT охватывает несколько десятков национальных рынков.


