AXW 450-4M Shuft
AXW 450-4M Shuft — это модель из серии "AXW вытяжные осевые вентиляторы". Компания "Стандарт Климат" — официальный дилер Shuft в России. Мы осуществляем поставку, монтаж и сервисное обслуживание оборудования Shuft.
Доставка по Москве - бесплатная. Оплата возможна наличным или безналичным расчетом, банковской картой.
"Стандарт Климат" готова реализовать комплексное решение любой вашей задачи по инженерному оборудованию "под ключ". Скидку до 20% на оборудование Shuft мы обсуждаем индивидуально.
Звоните:
Характеристики
| Частота вращения, об./мин | 1100 |
| D, мм | 430 |
| Электропотребление, кВт | 0,34 |
| L1, мм | 160 |
| Макс. напор, Па | 103 |
| Макс. расход воздуха, м3/ч | 6000 |
| Напряжение, В | 230 |
| Рабочий ток, А | 1,5 |
| Уровень шума (1м),, дБ(А) | 65 |
| Вес, кг | 545 |
| W1, мм | 545 |
| W, мм | 595 |
Таблица характеристик всей серии AXW вытяжные осевые вентиляторы
Описание
Вентиляторы серии AXW представляют линию оборудования, спроектированную для максимального удовлетворения следующим требованиям: экономичная цена в сочетании с оптимальными техническими характеристиками и надежностью работы.Предназначены для настенного монтажа. Благодаря малому потреблению энергии и низкому уровню шума при большом расходе воздуха прекрасно подходят для баров, магазинов, санитарных помещений, мастерских, цехов, складов и т. д.
Преимущества:
- Высокоэффективная крыльчатка с серповидными лопатками.
- Высококачественные двигатели с внешним ротором IP 44.
- Регулирование скорости в диапазоне от 0 до 100% путем изменения напряжения (тиристорные или автотрансформаторные регуляторы).
- Встроенная термозащита.
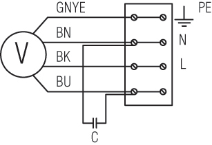
- Однофазные вентиляторы должны комплектоваться конденсаторами.
Монтаж: Вентиляторы поставляются готовыми к подключению. Могут устанавливаться в любом положении, в соответствии с направлением потока воздуха (в соответствии со стрелкой на корпусе вентилятора). Необходимо предусматривать доступ для обслуживания вентилятора.
Подключение электропитания: На корпусе вентиляторов находится клеммная коробка для подключения к электрической сети. Необходимо, чтобы подключение вентиляторов выполнял только квалифицированный персонал и в соответствии со схемой подключения.
Уход: Вентиляторы не требуют специального технического ухода. Единственное требование — чистка крыльчатки.
Сертификат: Сертификат соответствия РФ.
О производителе Shuft

Компания была основана в 1998 году в Копенгагене (Дания) как производитель вентиляторов для модульных систем. В течение 16 лет SHUFT K.S.разработал и запустил в производство более 500 моделей оборудования. Сегодня холдинг производит весь спектр оборудования для создания механических вентиляционных систем: вентиляторы, модульные элементы, оборудование для автоматизации, воздухораспределители, моноблочные и каркасно-панельные вентиляционные установки, а также промышленные увлажнители и компрессорно-конденсаторные блоки.
SHUFT — это штаб-квартира в Копенгагене (Дания), R&D- центры в Дании и Германии, 3 современные специализированные производственные площадки, расположенные в странах Евросоюза, в штате компании работают более 1000 сотрудников. Дистрибуция оборудования SHUFT охватывает несколько десятков национальных рынков.


